Os sistemas retificadores ESB de 48VDC200A foram especificamente personalizados para o projeto de modernização de sistemas de estações base de telecomunicações na América do Sul. Esses sistemas robustos fornecem energia essencial aos equipamentos dentro das estações, garantindo operação ininterrupta mesmo em condições adversas. Dessa forma, aumenta-se a estabilidade dos serviços de comunicação.
Visão geral do sistema
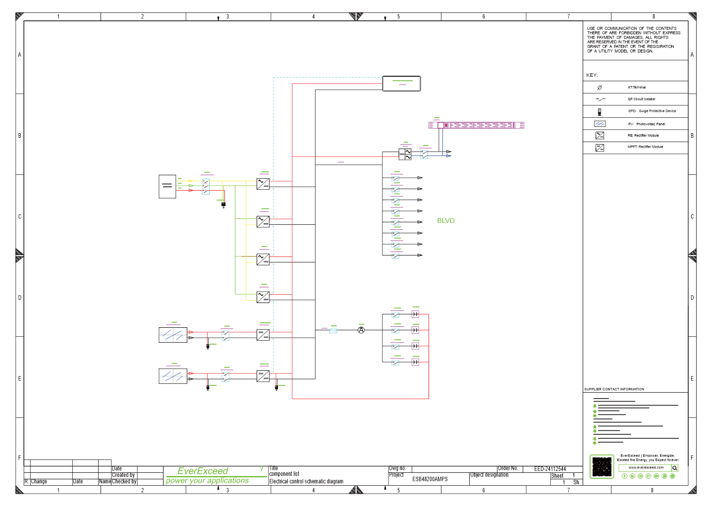
Os sistemas retificadores de telecomunicações personalizados da série ESB são projetados com o conceito de um "sistema de energia multifuncional integrado para estações base". Isso inclui o módulo retificador, o módulo MPPT solar, o inversor, a bateria de lítio, o módulo de monitoramento, a PDU (Unidade de Distribuição de Energia) e o gabinete da estação base em uma única plataforma.
| Especificação geral | Especificação geral | |
| Modelo | ESB48VDC200A |
|
| Temperatura de operação | -10°C a +45°C | |
| Temperatura de armazenamento | -25°C a 70°C (sem incluir as baterias) | |
| Umidade Relativa | 5%~95% UR (sem condensação de umidade) | |
| Altitude | 2000m Máx. sem redução de potência | |
| Ventilador de resfriamento | 21W*2 | |
| Classificação IP | IP20 | |
| Dimensão (mm) | L600*P900*A2000 | |
Destaque do design
Tudo em um: O gabinete é altamente integrado. É particularmente adequado às necessidades de redes de comunicação que exigem implantação rápida, operação eficiente e expansão flexível.
Projeto de monitoramento de disjuntores: Integra múltiplos mecanismos de proteção (sobrecarga, curto-circuito, subtensão) para monitorar o estado e os parâmetros do disjuntor em tempo real. Suporta gerenciamento remoto para detecção precoce de possíveis falhas.
Projeto de Distribuição de Energia Múltipla: Combina energia CC, bateria bidirecional e distribuição fotovoltaica, tudo equipado com proteção contra surtos. A distribuição CC inclui BLVD para evitar a descarga excessiva da bateria, prolongando sua vida útil.
Design de módulo hot-swappable: Os módulos hot-swappable de 1U suportam troca a quente online, garantindo o fornecimento contínuo de energia para a bateria e a carga. Os módulos apresentam compartilhamento inteligente de corrente, backup de redundância e ajuste flexível da potência de saída.
Sistema de monitoramento centralizado: Sistema de monitoramento FSU integrado com arquitetura B/S que suporta acesso à rede. Monitora centralmente módulos retificadores, módulos MPPT fotovoltaicos, inversores e baterias de lítio, oferecendo uma interface de usuário rica e uma experiência interativa.
Projeto de proteção contra surtos de tensão: Equipado com DPS CA, DPS FV e DPS CC (protetores contra surtos), com fusíveis substituíveis a quente para facilitar a troca, protegendo eficazmente o equipamento contra descargas atmosféricas e sobretensões transitórias de frequência da rede elétrica.
Escaneie para o WeChat:everexceed
